产品中心
石墨换热器
降膜吸收器
石墨冷凝器
石墨吸收器
石墨合成炉
工艺系统
石墨原材料
盐酸萃取精馏系统
污酸处理蒸发系统
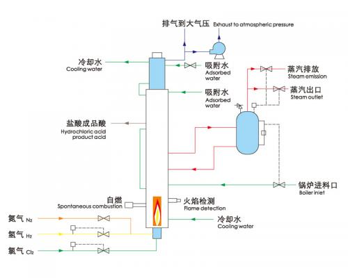
四合一氯化氢系统
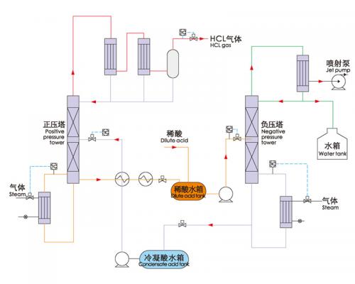
差压蒸馏系统
HCL干燥系统
首页
上一页
1
下一页
尾页