2025-09-16
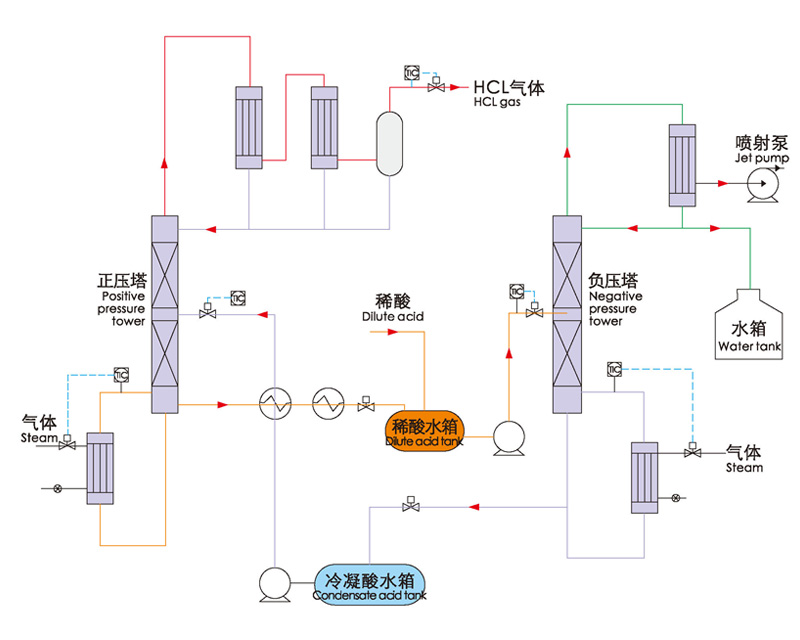
该工艺利用盐酸共沸浓度随压力的变化而变化生产出HCL气体。负压浓缩盐酸正压解吸出HCL气体。但此方法相比萃取法蒸汽耗高,且投资大。
版权所有 免责声明 皖ICP备2021017037号-1