网站首页
产品专区
服务支持
公司简介
资讯动态
产品专区
服务支持
公司简介
资讯动态
产品中心
YKC型圆块孔式石墨换热器
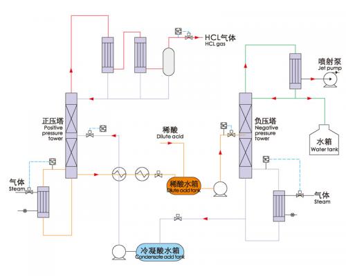
盐酸萃取精馏系统
污酸处理蒸发系统
SL型鼠笼式石墨换热器
LGH型列管式石墨换热器
关于我们
安徽盛世大唐化工设备集团有限公司-集无泄漏磁力泵、石墨设备和化工耐腐成套装置的研发、生产、销售和服务于一体,生产基地坐落于震惊中外的“皖南事变”发生地、历史悠久的江南名镇——安徽泾县茂林,占地面积4万...
查看详情
视频中心
THF衬氟无泄漏离心泵—视频
TICF无泄漏衬氟磁力泵【视频】
TCA系列无泄漏磁力驱动化工流程泵【视频
【强势来袭】盛世大唐集团官方宣传片正式上...
资讯中心
石墨换热器的换热效果与结构强度
目前,新型石墨换热器占地面积小,零件通用性好,由柱形不渗透性石墨块、石墨上下盖、石墨上下封头及...
2025-09-16
GH浮头列管式石墨换热器几大设计结构介绍
2025-09-16
盛世大唐教你如何保养石墨冷凝器的导热能力
在线留言服务
现在留言即刻获取报价单一份
您的姓名:
*
手机号码:
*
您的需求:
联系我们
产品专区
服务支持
公司简介
资讯动态
友情链接:
版权所有
免责声明
皖ICP备2021017037号-1
电话
地图
咨询
短信