2025-09-16
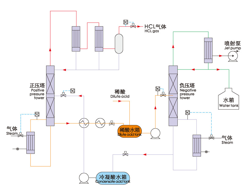
该系统适用于任意浓度盐酸,通过在酸中加入萃取剂CaCL2,打破化学平衡,萃取精馏出HCL气体,被稀释后的CaCL2进入浓缩系统后再次利用。
如果酸中含有杂质易于萃取剂发生反应,建议用差压蒸馏法,回收HCL气体。
版权所有 免责声明 皖ICP备2021017037号-1